Точки подключения и карты установок сигнализации на Honda Accord
Новое
Содержание
- Точки подключения автосигнализации на Honda Accord Aerodek
- Точки подключения автосигнализации на Honda Accord 1990
- Точки подключения автосигнализации на Honda Accord 1993
- Точки подключения автосигнализации на Honda Accord 1998
- Точки подключения автосигнализации на Honda Accord 1998
- Точки подключения автосигнализации на Honda Accord 1.8ILS 1998
- Фото точек подключения сигнализации Honda Accord 1998, седан, правый руль
- Точки подключения автосигнализации на Honda Accord 2005, правый руль
- Точки подключения автосигнализации на Honda Accord 2006
- Точки подключения автосигнализации на Honda Accord 2008, левый руль, АКПП
- Установка и подключение автосигнализации на Honda Accord 2008
- Точки подключения автосигнализации на Honda Accord 2009, левый руль, АКПП
- Установка и подключение автосигнализации Starline E90 без CAN на Honda Accord 2008-2012
Точки подключения автосигнализации на Honda Accord Aerodek
+12 – в коробке предохранителей к кабелю, идущему от батареи
повороты – зелёный с жёлтым с чёрным и зелёный с синим с чёрным провода в 13-ти контактном красно-белом разъеме над коробкой предохранителей
блокировка двигателя – разрезать чёрный с жёлтым с коричневым провод (+15) в 8-ми контактном разъеме слева от коробки предохранителей (реле топливного насоса и реле зажигания)
концевик дверей – подсоединиться к чёрному с белым с серым проводу в 22-х контактном белом разъеме под рулевой колонкой
концевик багажника – подсоединиться к зелёному с чёрным проводу в 22-х контактном белом разъеме под рулевой колонкой
стеклоподъёмники:
подъем левого окна – разрезать красный с жёлтым провод (плюс при закрывании) в 4-х контактном белом разъеме устройства управления в двери
подъем правого окна – разрезать светло-голубой с жёлтым провод в 14-ти контактном оранжево-белом разъеме в ногах водителя
Точки подключения автосигнализации на Honda Accord 1990
+12 – в коробке предохранителей к кабелю, идущему от батареи
повороты – зелёный с жёлтым с серебряным и зелёный с синим с серебряным провода в 20-ти контактном синем разъеме справа под рулевой колонкой
блокировка двигателя – разрезать чёрный с жёлтым с серебряным провод (+15) в 8-ми контактном разъеме над коробкой предохранителей за торпедой (реле топливного насоса и реле зажигания)
концевик дверей – подсоединиться к чёрному с белым с серебряным проводу в 12-ти контактном коричневом разъеме слева под рулевой колонкой
концевик багажника – подсоединиться к зелёному с чёрным с серебряным проводу в 16-ти контактном зеленом разъеме слева под рулевой колонкой
Стеклоподъёмники
подъем левого окна – разрезать красный с синим с серебряным провод (плюс при закрывании)
подъем правого окна – разрезать синий с жёлтым с серебряным провод (плюс при закрывании)
Эти провода надо взять на разъеме кнопок в двери.
Для автоматизации подъема задних стекол используйте еще один блок управления, обеспечив раздельное питание устройств.
подъем заднего левого окна – разрезать зелёный с жёлтым с серебряным провод (плюс при закрывании).
подъем заднего правого окна – разрезать жёлтый провод (плюс при закрывании).
Эти провода нужно взять в ногах водителя в жгуте, идущем в заднюю часть водителя.
Точки подключения автосигнализации на Honda Accord 1993
+12 – в коробке предохранителей к кабелю, идущему от батареи
повороты – зелёный с жёлтым с серебряным и зелёный с синим с серебряным провода в 13-ти контактном синем разъеме слева от рулевой колонки
блокировка двигателя – разрезать чёрный с жёлтым провод в 7-ми контактном коричневом разъеме слева под торпедой
концевик дверей – подсоединиться к чёрному с белым с серебряным проводу в 22-х контактном коричневом разъеме слева от рулевой колонки
концевик багажника – подсоединиться к зелёному с чёрным проводу в 22-х контактном зеленом разъеме слева от рулевой колонки
стеклоподъёмники:
подъем левого окна – разрезать красный с синим провод (плюс при закрывании)
подъем правого окна – разрезать синий с жёлтым провод (плюс при закрывании)
Для автоматизации подъема задних стекол используйте еще один блок управления, обеспечив раздельное питание устройств.
подъем заднего левого окна – разрезать зелёный с белым провод (плюс при закрывании)
подъем заднего правого окна – разрезать жёлтый с белым провод (плюс при закрывании).
Эти провода надо взять в 13-ти контактном сером разъеме около кнопок управления в центральном тоннеле.
Точки подключения автосигнализации на Honda Accord 1998
зажигание – чёрный с жёлтым
стартер – чёрный с белым
габариты – красный с чёрным (+) в зеленом 10-контактном разъем на блоке предохранителей с водительской стороны
топливный насос – чёрный с жёлтым
тахометр:
4 цил. – синий;
VTEC 4 цил. – жёлтый с зелёным;
V6 – жёлтый с зелёным в жгуте или на разъеме от катушки-распределителя.
Также возможен отрицательный сигнал инжекторов (чёрный с красным со 2-го инжектора).
концевик дверей – зелёный с оранжевым или чёрный с белым (-) на пассажирской стойке
концевик багажника – оранжевый в 2-х контактном сером разъеме, примотанном к жгуту за коробкой предохранителей
открывание багажника – белый с красным или синий с зелёным на пассажирской боковине (только для моделей с дистанционном отпиранием)
центральный замок:
Запирание – чёрный с белым;
Отпирание – зелёный с красным
В 2-х контактном сером разъеме, примотанном к жгуту к коробке предохранителей.
Отпирание только водительской двери – жёлтый с красным (-).
Также могут использоваться провода:
Запирание – чёрный с оранжевым;
Отпирание – оранжевый
В большом зеленом разъеме у блока предохранителей с пассажирской стороны сверху.
стоп – белый с чёрным в жгуте с лягушки
заводская сигнализация:
Включить и закрыть – чёрный с синим (-);
Только выключить – синий (-);
Выключить и открыть – оранжевый (-)
В жгуте или разъеме сигнализации высоко на пассажирской боковине.
ВНИМАНИЕ! В автомобиле имеется штатный транспондерный иммобилайзер, следовательно, возможны проблемы с дистанционным запуском и совместимостью с навесными транспондерными системами.
Точки подключения автосигнализации на Honda Accord 1998
Жгут в рулевой колонке:
Стартер – черный/белый
Зажигание – черный/желтый
Отопитель/кондиционер – желтый
Освещение салона со стороны пассажира (-) – черный/белый, в панели предохранителей в 4-контактном зеленом разъеме
Стояночные огни – красный/черный в панели предохранителей со стороны водителя в зеленом разъеме
За боковой панелью у ног водителя:
Концевой выключатель багажника (-) – оранжевый
Отпирание багажника (-) – белый/красный
В панели предохранителей под крышкой блока предохранителей со стороны водителя:
Запирание дверей (-) – черный/белый
Отпирание дверей (-) – зеленый/красный или оранжевый
Снятие с охраны заводской сигнализации (-) – синий над боковой панелью у ног водителя
Тахометр – светлый синий в жгуте около аккумулятора в 1-контактном сером разъеме
Точки подключения автосигнализации на Honda Accord 1.8ILS 1998
Замок зажигания:
+12 – белый
зажигание – чёрный/жёлтый
Водительский порог:
повороты – зелёный/жёлтый, зелёный/синий
центральный замок (-) – зелёный/белый (закрыть) и зелёный/красный (открыть)
двери (-) – белый/чёрный в приборной панели
Фото точек подключения сигнализации Honda Accord 1998, седан, правый руль
На блоке предохранителей со стороны водителя подключаемся к поворотам (зелёный/синий и зелёный/жёлтый), берём контроль педали тормоза (белый/чёрный).
В пороге водителя можно заблокировать бензонасос - чёрный/жёлтый провод.
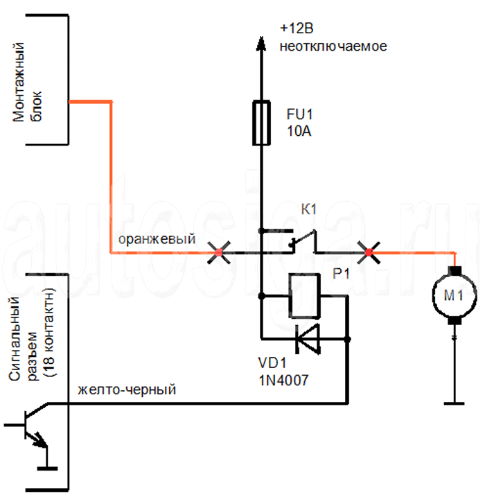
На блоке, находящемся сзади блока предохранителей со стороны пассажира, можно подключиться к реле управления центральным замком и к реле открывания багажника. Для этого необходимо разобрать указанный блок и впаяться в него так, как указано на рисунке ниже.
Можно подключить управление центральным замком в двери водителя.
В разъёмах панели приборов подключаемся к концевикам дверей (зелёный/оранжевый, зелёный/жёлтый, зелёный, зелёный/белый) и багажника (оранжевый) и берём контроль заведённого двигателя - сигнал тахометра (синий).
Силовые цепи для автозапуска берём на замке зажигания.
Точки подключения автосигнализации на Honda Accord 2005, правый руль
Замок зажигания:
+12 В – белый
ACC – белый/красный
печка – чёрный/красный
зажигание 1 – чёрный/жёлтый
стартер – чёрный/белый
порог водителя:
концевик багажника (-) – синий/чёрный
концевики дверей (-) – зелёный (передняя правая), салатовый/красный (передняя левая), зелёный/жёлтый (задняя правая), зелёный/белый (задняя левая)
повороты – коричневый, красный/синий
бензонасос – жёлтый/зелёный
центральный замок:
открывание (-) – белый в двери водителя
закрывание (силовой) – жёлтый/чёрный, провод привода водительской двери, отвечающий за закрытие двери водителя
зарядка – белый/синий на генераторе
Точки подключения автосигнализации на Honda Accord 2006
Силовые провода в зелёном разъёме на блоке предохранителей:
+ 12 – белый
АСС – бело-красный
Зажигание – чёрно-жёлтый
Зажигание 2 – чёрно-красный
Стартер – чёрный-белый
Управление центральным замком:
в двери водителя – белый и бело-красный. Управление по "минусу".
В левом пороге:
бензонасос – жёлто-зелёный
концевик багажника – сине-чёрный
концевики передних дверей – зелёный и салатово-красный
концевики задних дверей – зелёно-жёлтый и зелёно-белый
повороты – коричневый и красный-синий
стоп – бело-чёрный
Под капотом в распределительной коробке:
форсунки – жёлто-чёрный
Точки подключения автосигнализации на Honda Accord 2008, левый руль, АКПП
Силовые цепи для автозапуска в верхнем разъёме блока предохранителей:
+12 – белый
зажигание – синий
зажигание 2 – оранжевый
стартер – жёлтый
Эти же цепи можно взять на замке зажигания. Цвета те же.
Бензонасос – розовый в левом пороге, или левый разъём в блоке предохранителей. Разъём под синим реле.
Повороты – синий и зелёный в левом пороге.
Подключиться к can-шине автомобиля можно в разных местах. Я подключаюсь в 7-ми контактном белом разъёме на замке зажигания. На фото ниже видно цвета проводов.

По can управляет центральным замком, габаритами (ближним светом), поднимает стёкла и закрывает люк, открывает багажник. По can видит концевики дверей, капота, багажника, педаль тормоза, зажигание, заведённый двигатель.
Чтобы штатная охранная система не давала сработку во время автозапуска, надо не допустить постановку её в охрану при постановке в охрану устанавливаемой автосигнализации. Для этого подаём массу на белый провод 6-ти контактного зелёного разъёма на замке зажигания. Подать лучше секунд через 8 после постановки в охрану. Тогда успевает сработать комфорт, а штатка не успевает встать в охрану.
Установка и подключение автосигнализации на Honda Accord 2008

Устанавливал сигнализацию Pandect X-3010.
Подготовка к установке автосигнализации - разбор салона Хонда Аккорд
Для доступа к замку зажигания откручиваем 3 самореза и снимаем пластиковый кожух руля.

Отвернуть три самореза крепления
Для доступа к блоку предохранителей снимаем подторпедник (крепление на защелках).

Общий вид блока предохранителей
Работа под капотом
Установить под капотом сирену.

Возможное место установки сирены
Провода в салон протягиваем через штатный уплотнитель.

Вид из-под капота штатного уплотнителя
Подключение и установка автосигнализации на Honda Accord
Выполнить подключение массы сигнализации можно в штатном месте возле блока предохранителей.

Подключение массы
Подключиться к CAN шине можно на белом семиконтактном разъёме замка зажигания. Там же выполняем подключение и к шине LIN (DATA) для обхода штатного иммобилайзера.

CAN-L - синий, CAN-H - розовый, LIN - салатовый
Также к линии CAN можно подключиться в жгуте белого разъема блока предохранителей.

CAN-H - розовый, CAN-L - синий
Pandect X-3010 по can видит всё, что необходимо (капот, зажигание, двери, заведённый двигатель, багажник, тормоз), и управляет центральным замком, габаритами. Также работает режим "Комфорт" - поднимает стёкла и закрывает люк при его наличии - и режим Slave. По кан открывается багажник.
При постановке сигнализации в охрану, штатная сигналка тоже встаёт в охрану. Чтобы штатная охранная система не давала сработку во время автозапуска, надо не допустить постановку её в охрану при постановке в охрану Pandect (или любой другой автосигнализации). Для этого подаём кратковременный отрицательный импульс на белый провод 6-ти контактного зелёного разъёма на замке зажигания - информация о наличии ключа в замке зажигания. Подать лучше секунд через 8 после постановки в охрану. Тогда успевает сработать комфорт, а штатка не успевает встать в охрану.
Если Вас не устраивает то, что по can управляются габариты, а не повороты, то подключайтесь к проводам поворотов по аналогу. Сделать это можно в одном из разъёмов блока предохранителей.

Расположение разъема для подключения поворотов

Повороты - синий и зеленый
Подключить повороты можно и в пороге водителя. Там же можно осуществить блокировку бензонасоса.

Повороты - синий и зеленый, бензонасос - розовый
Подключение цепей автоматического запуска можно выполнить в жгуте силового 6-ти контактного разъема вверху монтажного блока.

+12 - белый, зажигание - синий, зажигание 2 - оранжевый, стартер - жёлтый
Эти же силовые провода находятся в разъёме замка зажигания. Цвета такие же.
Программирование автосигнализации для корректной работы автозапуска и обхода иммобилайзера
Для исключения перекрутки или недокрутки стартера во время автозапуска или дистанционного запуска двигателя, пропишите обороты холостого хода. В Пандект Х-3010 это делается на уровне программирования 1-3.
В настройках Автозапуск - Обходчик штатного иммобилайзера выберите пункт "Использовать LIN для реализации бесключевого обхода автомобиля".

Настройка программы Аларм Студио
Для программирования бесключевого обхода штатного иммобилайзера Honda Accord войдите в пункт 17 программации с помощью кнопки Valet и выполните нижеописанные действия.
Точки подключения автосигнализации на Honda Accord 2009, левый руль, АКПП
Силовые цепи в верхнем разъёме блока предохранителей:
+12 – белый
зажигание – синий
зажигание 2 – оранжевый
стартер – жёлтый
Левый порог:
дверь водителя (-) – коричневый
задняя левая дверь (-) – салатовый
багажник (-) – белый
открытие багажника (силовой +) – оранжевый
повороты (+) – синий и зелёный
стоп (+) – салатовый с 2 полосками
Центральный замок (силовые) – оранжевый и желтый в разъеме водительской двери
Правый порог:
передняя правая дверь (-) – зеленый
задняя правая дверь (-) – салатовый
Установка и подключение автосигнализации Starline E90 без CAN на Honda Accord 2008-2012

Устанавливаемое оборудование: автосигнализация StarLine E90 с функцией автозапуска.
Установка автосигнализации на Honda Accord - разбор салона
Для удобства установки сигнализации разбираем салон.

Фото 1.1. Снимаем накладку левой стойки лобового стекла. Верхняя клипса составная. Для её извлечения надо выдвинуть алюминиевую вставку из пластикового грибка. Идет очень туго. Используем утконосы, как рычаг.

Фото 1.2. Снимаем нижнюю панель над педальным узлом. Корпус фонарика подсветки поворачиваем в окне и вытаскиваем его из панели. Аналогично поступаем с панелью с пассажирской стороны под перчаточным ящиком.

Фото 1.3. Выкручиваем саморез в проеме открытого кармашка на подторпеднике слева.

Фото 1.4. После чего сдергиваем подторпедник – клипсы по периметру.

Фото 1.5. Снимаем накладку левого порога (клипсы). Тянем по направлению вверх. Аналогично снимаем накладку правого порога.

Фото 1.6. После этого снимаем крышку левой кик-панели, сняв резиновый уплотнитель проема для освобождения зацепов. Крышку тянем вправо (клипсы). Аналогично - с пассажирской стороны.

Фото 1.7. Выкручиваем два самореза и винт крепления кожуха рулевого вала, после чего расцепляем зацепы верхней и нижней половинок и снимаем нижнюю часть.

Фото 1.8. Для облегчения доступа к внутренним полостям панели можно снять дополнительно боковую крышку панели (клипсы и зацепы по периметру).

Фото 1.9. Для подключения к ЦЗ разбираем водительскую дверь. Разборку обшивки водительской двери начинаем с извлечения заглушки за ручкой отпирания.

Фото 1.10. Выкручиваем два самореза под снятой заглушкой.

Фото 1.11. Поднимаем резиновый «коврик» на дне кармашка в ручке двери.

Фото 1.12. Извлекаем кнопочную станцию. Поднимать начинаем с передней стороны – показана клипса, рядом зацеп, далее – зацепы по периметру.

Фото 1.13. После этого выкручиваем два самореза на дне кармашка и в нише извлеченной кнопочной станции.

Фото 1.14. Поддеваем отверткой снизу накладку с кнопками установки положения сиденья (может быть накладка без кнопок).

Фото 1.15. Отщелкиваем накладку (клипсы и зацепы), снимаем разъем.

Фото 1.16. Выкручиваем последний саморез крепления обшивки к панели двери.

Фото 1.17. Отщелкиваем уголок в передней части двери над обшивкой (две металлических клипсы и зацепы по низу). После чего снимаем обшивку (клипсы по периметру), начинаем с переднего нижнего угла.

Фото 1.18. Сняв обшивку, отцепляем тяги ручки и клавиши запирания. Для этого отщелкиваем клипсы прижима рубашек тросов, выщелкиваем носики рубашек из планки и расцепляем зацепы-фиксаторы самих тросиков.

Фото 1.19. Для извлечения доски приборов выкручиваем винт крепления доски снизу слева.

Фото 1.20. И аналогично – винт крепления снизу справа. После этого доску, пошатывая и нажимая снизу сзади, можно извлечь.

Фото 1.21. Для извлечения перчаточного ящика снимаем декоративную накладку над ним (клипсы) и боковую крышку панели справа. После этого выкручиваем три самореза крепления ящика сверху.

Фото 1.22. Затем выкручиваем винт крепления ящика снизу слева.

Фото 1.23. И аналогичный винт снизу справа. После этого ящик можно вытащить (клипсы и зацепы по периметру).
Подключение и установка автосигнализации Starline E90 на Honda Accord 2008-2012

Фото 2.1. Провода управления центральным замком протягиваем в дверь через штатный резиновый переход и подключаемся в Honda Accord 2008 года к оранжевому и коричневому тонким проводам замка двери водителя (приходят на кнопочную станцию). Управление массой.

Фото 2.2. В Honda Accord 2012 года провод отпирания отсутствует в замке двери, зато на проводе запирания (оранжевый тонкий) реализован «комфорт» - если подать на него сначала короткий импульс 0,5…1,0 сек, а затем через паузу второй импульс 8..10 сек, то по первому заблокируются замки, а по второму произойдет подъем стекол.

Фото 2.3. Провод управления отпирание центрального замка в Honda Accord 2012 года припаиваем на кнопочной станции к точке СР11 со стороны расположения радиоэлементов (рядом точка CP10 - запирание).

Фото 2.4. Здесь же в двери слаботочное управление отпиранием багажника массой (желтый провод на кнопке штатного отпирания).

Фото 2.5. В монтажном блоке в разъеме под синим реле подключаемся к поворотам, контролю дверей левого борта (см. схему 2.1), багажника. Здесь же провод бензонасоса и силового отпирания багажника (схема 2.2).

Фото 2.6. В правой кик-панели подключаемся к проводам контроля дверей правого борта (схема 2.1).

Схема 2.1. Подключение к концевикам дверей.

Схема 2.2. Силовое управление отпиранием багажника. Проще подключиться в двери к слаботочному управлению на кнопке.

Фото 2.7. На педали тормоза салатный двойной – лампы стоп. Левее отмечен аварийный расцепитель зажигания (срабатывает от сотрясения, для восстановления нажать сверху).

Фото 2.8. В левом разъеме левой кик-панели тот же провод ламп стоп (пучки этого разъема и разъема с фото 2.5 проходят рядом).

Фото 2.9. В верхнем разъеме монтажного блока подключаемся к силовым проводам от замка зажигания.
Белый толстый - +12 вольт, красный - АСС, синий – IGN1, оранжевый – IGN2, жёлтый - STARTER
Если не подключить цепь АСС, то при автоматических/дистанционных запусках не будет включаться магнитола и гнездо прикуривателя.
Зажигание 2 появляется одновременно с основным зажиганием. На время стартерной прокрутки отключается. Подключаем на него силовой синий провод сигнализации и программируем как АСС 2 (или подключаем силовой зеленый провод сигнализации, если он не используется для питания АСС).

Фото 2.10. Петлю обходчика складываем с перегибом и утягиваем вокруг штатного считывателя метки иммо. Чип, дописанный в память контролера, или один из ключей располагаем внутри модуля обходчика иммобилайзера. Сам обходчик прячем поглубже.

Фото 2.11. На ключе отмечена зона расположения чипа. В этой зоне поперёк ключа мотаем обмотку 15-20 витков провода ПЭВ-2 Ø 0,3…0,5мм и запаиваем её в плату обходчика вместо штатной обмотки обходчика (см примечание в конце).

Фото 2.12. Под капотом в пучке на левом переднем стакане автомобиля 2008 года диагностическая фишка с тахометрическим сигналом HONDA.

Фото 2.13. Места, где можно взять контроль по тахометру и генератору на автомобиле 2012 года. Фишка тахометр (фото 2.12) отсутствует.

Фото 2.14. Датчик температуры двигателя устанавливаем на левом заднем углу ГБЦ по ходу движения автомобиля.

Фото 2.15. Сирену устанавливаем на панели воздухопритока рядом с правым стаканом. Провод до неё и кнопки капота протягиваем через проходку ниже сирены (за перчаточным ящиком).

Фото 2.16. Кнопку контроля капота устанавливаем в отверстие вместо одной из клипс крепления пластиковой накладки.

Фото 2.17. Сигнал PARKING (если нужен) можно взять в пластиковом «крабе», в который заходит пучок проводов с селектора АКПП («краб» расположен на задней верхней части АКПП).

Фото 2.18. В тонком пучке перед радиатором делаем блокирование штатного концевика капота, чтобы при автозапусках не было тревоги штатной системы охраны.

Фото 2.19. Светодиод крепим в накладке левой стойки лобового стекла.

Фото 2.20. Модуль приемопередатчика со встроенным комбинированным датчиком удара/наклона наклеиваем на лобовое стекло в верхнем правом углу.
Провод контроля стояночного тормоза (синий/красный) соединяем с проводом массы (исключаем его из зон охраны).
Включаем питание, производим настройку системы, в том числе программируем канал №2 (только для автомобиля Honda Accord 2012 года): 002-010-000-000-02-00-00-00-OF-OF. Это будет подъём стекол.
Отличия по Honda Accord 2012 года
- В водительской двери нет контакта отпирания в фишке замка двери, поэтому при монтаже без CAN только делать отпайку в кнопочной станции с контакта "отпирание" клавиши управления центральным замком. Обнаружил, что в районе разъема со стороны установки элементов есть две контрольных точки – CP10 (запирание) и CP11 (отпирание). См. фото 2.3. Не обязательно брать запирание здесь же. Оно есть в фишке замка двери (оранжевый тонкий).
- Под капотом не обнаружилась фишка тахометр HONDA. Поэтому контроль берем по одной из форсунок (любой из: красный, синий, черный, желтый). Я взял с красного. См. фото 2.13.
- Так как при управлении запиранием через контакты замка двери включается и штатная охрана, то чтобы она не орала, в том числе при автозапуске – замыкаем зеленый и черный провода штатного концевика капота, встроенного в замок капота.
- Обнаружилось, что для запуска подъема всех стекол на провод запирания (оранжевый) в фишке замка двери нужно подать последовательность из двух импульсов «масса». Первый – короткий 0,7…1 сек (запирание ЦЗ), затем пауза 0,5…1 сек и второй импульс 7…10 сек (время подъема стекол). Поднимаются одновременно. При слабом аккумуляторе и зимой время 10 сек должно хватить.
Решил, что правильнее будет соединить канал сигнализации «запирание» и свободный гибкий канал (который программируется на формирование импульса 10 сек, отложенного на 2 сек от момента постановки на охрану). В этом случае после сброса на заводские настройки хотя бы останется запирание.
Канал 2 (желтый/красный) в первой таблице назначаем, как "гибкое программирование" и соединяем его с проводом запирания. Настройку смотри выше.
С приходом холодов выяснилось неустойчивое чтение чипов родных ключей при обычной укладке ключа в катушку обходчика (на обеих машинах). Было переделано с намоткой обмоточного провода прямо на ключе и запайкой этой катушки в плату обходчика вместо штатной (см. фото 2.11). Проверено при морозах до минус 30. Автозапуск работает без сбоев.








